Texas Instruments OPAx317/OPAx317-Q1 Zero-Drift Op Amps
Texas Instruments OPAx317 Precision Operational Amplifiers (Op Amps) are members of the Zero-Drift family of amplifiers. These amplifiers use a proprietary auto calibration technique to simultaneously provide low offset voltage (90µV max) and near-zero drift over time and temperature at only 35µA (max) of quiescent current. These TI op amps feature rail-to-rail input and output in addition to near flat 1/f noise, making this amplifier ideal for many applications, and much easier to design into a system. These TI devices are optimized for low-voltage operation as low as +1.8V (±0.9V) and up to +5.5V (±2.75V). The OPA317-Q1 devices are AEC-Q100 qualified for automotive applications.Features
- Channels
- OPA317: 1
- OPA2317: 2
- OPA4317: 4
- 1.8V to 5.5V supply voltage
- microPackages
- Single: SOT23-5, SC-70, SOIC-8
- Dual: MSOP-8, SOIC-8
- Quad: SOIC-14, TSSOP-14
- 20µV (typ) low offset voltage
- 108dB (typ) CMRR
- 35µA (max) quiescent current
- 300kHz gain bandwidth
- Rail-to-rail input/output
- Internal EMI/RFI filtering
Applications
- Battery-powered instruments
- Temperature measurements
- Transducer applications
- Electronic scales
- Medical instrumentation
- Handheld test equipment
- Current sense
Datasheets
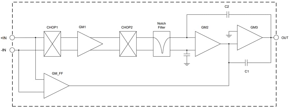
Functional Block Diagram
Yayınlandı: 2013-08-08
| Güncellenmiş: 2022-03-11
