Texas Instruments TPS56C231 12A Synchronous Buck Converter
Texas Instruments TPS56C231 12A Synchronous Buck Converter is a small, high-efficiency, synchronous buck converter with an adaptive on-time D-CAP3 control mode. External compensation is not required because the device is easy to use and requires few external components. The device is well-suited for space-constrained data center applications.The TPS56C231 has competitive features, including a fast load transient response, a very accurate reference voltage, no requirement for external compensation, and an adjustable current limit. Eco-mode and FCCM operation modes are available for selection at light-load conditions through the MODE pin configuration. To attain high efficiency at a light load, Eco-mode can be selected. To support tight output voltage ripple requirements, FCCM can be chosen. The Texas Instruments TPS56C231 operates from a –40°C to 125°C junction temperature range.
Features
- 4.5V to 17V input range without external bias
- 3.8V to 17V input range with external bias
- Supports 12A continuous output current
- TPS56C231 supports 15A peak current
- Integrated 7.8mΩ and 3.2mΩ MOSFETs
- 0.6V ±1% reference voltage across a –40°C to 125°C junction temperature range
- 0.6V to 5.5V output voltage range
- 146µA low quiescent current
- D-CAP3™ control mode for fast transient response
- Supports ceramic output capacitors
- Selectable fSW of 400kHz, 800kHz, and 1200kHz
- Selectable FCCM (forced continuous conduction mode) for tight output voltage ripple
- Selectable Eco-mode (auto skip mode) for high light-load efficiency
- Optional external 5V bias for enhanced efficiency
- Prebiased start-up capability
- Adjustable soft start with a default 1.2ms soft-start time
- Power-good indicator to monitor the output voltage
- Two adjustable current limit settings with hiccup restart: TPS56C231 (14.7A, 17A) and TPS56C231L (11.5A, 13.8A)
- Non-latched protections for UV, OV, OT, and UVLO
- Pin-to-pin compatible with 12A TPS56C215, 8A TPS568231 and 8A TPS568215
- –40°C to 125°C operating junction temperature
- 3.5mm × 3.5mm, 18-pin HotRod™ QFN package
Applications
- Data center and enterprise computing POLs
- Wireless infrastructure
- IPCs, factory automation, PLC, test measurement
- High-end DTV
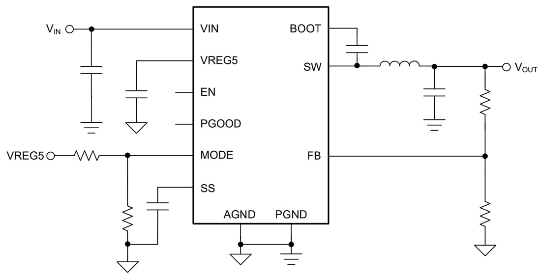
Simplified Schematic
Yayınlandı: 2022-10-14
| Güncellenmiş: 2022-12-23
